Table des matières
Pour faire suite aux précédents articles, je vais vous décrire la troisième partie de ce transceiver, la partie PA et les interconnexions entre les platines.
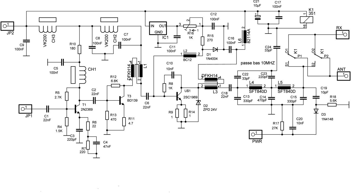
Le schéma :
Le schéma est classique, l’amplificateur est composé de 3 transistors montés en amplification large bande.
Cette platine a un gain supérieur à 36 dB il faut donc respecter quelques règles de base pour éviter les auto oscillations (connections courtes, bonnes soudures de masse ….)
Fonctionnement :
Le signal d’émission issu de la platine principale d’un niveau de 1 à 2 mW (0 dBm) passe par le premier étage large bande équipé d’un 2N2369. Ce transistor amplifie le signal pour obtenir en sortie collecteur un niveau de 10 à 20 mW.
Le second amplificateur utilise un transistor BF qui fonctionne parfaitement bien jusqu’à 25 MHz ( BD139).
La puissance de sortie de cet étage se situe aux alentours de 200 mW.
Le troisième étage utilise un transistor utilisé en CB 2SC1969. Il est suivi d’un filtre passe-bas dont le rôle est de réduire les fréquences harmoniques H2 et H3 d’au moins 20 dB. La puissance disponible en sortie du filtre est supérieure à 5 W HF.
Le courant de repos du transistor final est réglé par le potentiomètre R16 entre 50 et 60 mA. Cette valeur n’est pas critique mais suffisante pour avoir un fonctionnement linéaire du dernier étage sans trop s’échauffer. Le transistor BD139 ne nécessite pas de radiateur.
Une sortie détection de niveau (PWR) permet de vérifier que la partie amplificateur fonctionne bien.
Pour une puissance de sortie de 5 W sur charge fictive vous devriez avoir en ce point une tension redressée comprise entre 15 et 16 V.
Le filtre-passe bas est réalisé sur des tores T68-6 en bobinant 15 spires de fil 08/10 mm.
Pour obtenir des selfs L4 et L5 d’une valeur de 1,4 µH, il faut que le fil soit bien plaqué au tore.
La perte d’insertion de cet ensemble est faible (0,2 dB), il coupe efficacement bien qu’il ne soit composé que de 2 pôles.
Les collecteurs des transistors BD139 et 2SC1969 sont alimentés par l’intermédiaire des transformateurs L1 et L2. Ces transformateurs sont réalisés sur des tores BN43-302, 2 fils bobinés en même temps (5 spires de fil 4/10 mm).
La self de choc L2 est réalisé sur un tore T37-2 en bobinant 20 spires de fil 3/10 mm.
Le transistor 2SC1969 doit être monté sur un radiateur mais attention la semelle doit être isolée de la masse.
Cette platine ne présente aucune difficulté pour sa mise en service, le courant de repos du transistor final est réglé en mesurant la tension aux bornes des résistances de 1 ohm en sortie émetteur du transistor 2SC1969.
Plans de câblage.
Les fils verts correspondent aux alimentations permanentes.
Les fils rouges correspondent aux alimentations de la partie TX.
Les fils bleu foncé correspondent aux alimentations de la partie TX.
Les fils bleu clair correspondent aux commutations.
Le régulateur en boîtier T03 doit être monté sur un dissipateur.
Partie connections autres :





